Mike McBike @ Home / Arcade Reps Teil 5 / Ghost n' Goblins (1)


{Ghost 'n Goblins Original} So kann es kommen, wenn man ungezielt versucht, zu "reparieren": bei fast allen getauschten ICs sind die inneren Durchkontaktierungen gerissen, es ist mir persönlich unbegreiflich, wie das passieren kann, zumal man weder an den oberen, noch bei den unteren Pads irgendwelche Beschädigungen erkennen kann! Die G'n'G-Originalplatine ist speziell: Top- und Bottom-Layer sind durchgängige Spannungsversorgungsflächen, alle Leiterbahnen befinden sich in den inneren zwei Layern, unsichtbar und vor allem: man kommt nicht ran! Gut, dass es einen Schaltplan gibt, der zumindest zu 95% stimmt. Noch besser, wenn man eine Originalplatine zum Vergleich besitzt.

Ghost 'n Goblins

Der Kunde hat zumindest versucht, seine Reparatur zu reparieren - leider mit begrenztem Erfolg.

Ghost 'n Goblins

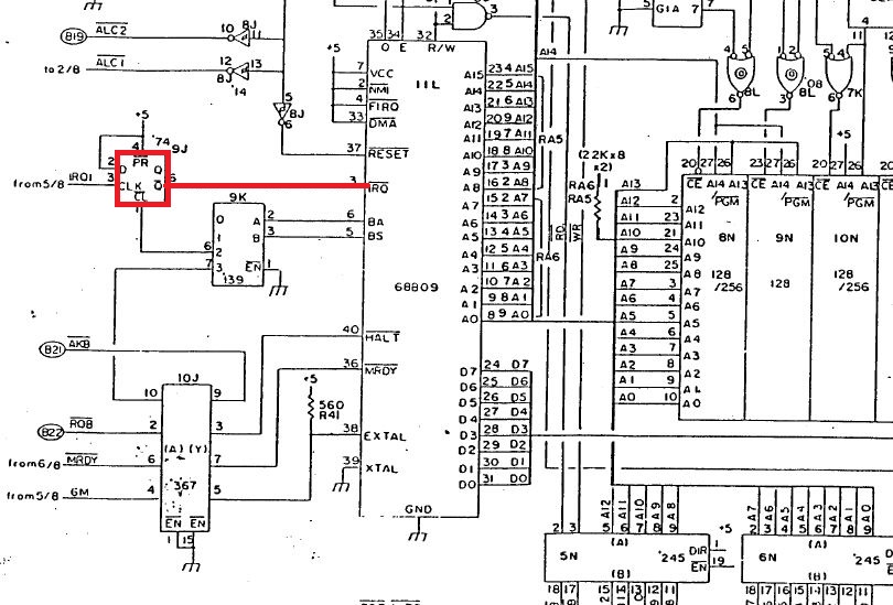
Solche Adressbusse braucht niemand, da fehlt wohl noch die eine oder andere Strippe:

Ghost 'n Goblins

Wenigstens der Takt liegt an der CPU:

Ghost 'n Goblins

Da kann ich doch gleich mal meine eigene G'n'G testen - sie hat anstelle des vergossenen Soundhybriden eine offene Adapterplatine, war sicher ein Glück für die Bootlegger...

Ghost 'n Goblins

Läuft eine G'n'G nur mit dem CPU-Board? Eine Frage, die sich schon viele gestellt haben... einfach testen:

Ghost 'n Goblins

Ghost 'n Goblins

In diesem Zusammenhang teste ich gleich mal, ob die Kunden-Sprite-PCB tut - sie läuft, also ist nur die CPU-PCB hin:

Ghost 'n Goblins

Ghost 'n Goblins

Ich wurschtle mich durch fehlende Daten- und Adressbus-Verbindungen durch, manchmal fehlen auch Chip-Selcts... das gibt besonders lustige Signalformen:

Ghost 'n Goblins

Nachdem ich eine fehlende Verbindung für ein Video-RAM-Enable gezogen habe, gibt es endlich sogar ein Bild. Statisch.

Ghost 'n Goblins

Ghost 'n Goblins

Nachdem ich dann noch die defekte 68B09 getauscht hatte, ging grafisch die Post ab:

Ghost 'n Goblins

O.K., das ist etwas zu viel Grafikoutput... Also nochmal genau die CPU-Signale checken... NMI ist Dauer-Low... dauernd Interrupt? das kann nicht gut gehen. Das Flip-Flop ist fritte...

Ghost 'n Goblins

Hier läuft die Huckepacklösung wieder mal:

Ghost 'n Goblins

Schon beruhigt sich die Grafik - die CPU läuft, mit ziemlichen Grafikfehlern, aber immerhin mal ganz grundsätzlich richtig...

Ghost 'n Goblins

Wird sicher fortgesetzt...


© 2013 - 2023 · W. Robel e-Mail senden