Mike McBike @ Home / Arcade Reps Teil 7 / Depthcharge


{SEGA Gremlin Depthcharge} In MAME als Dual VIC Game geführt - aber so alt, dass es noch keinen eigenen Videochip hat: ein Gremlin U-Boot-Spiel der ganz frühen Sorte von 1977. Der Prozessor: ein Intel 8080 und das Programm noch in bipolaren PROMs versteckt, das haben nur ganz wenige Arcade-Spiele. Und Gremlin nannte sich auch noch nicht SEGA.

Depthcharge

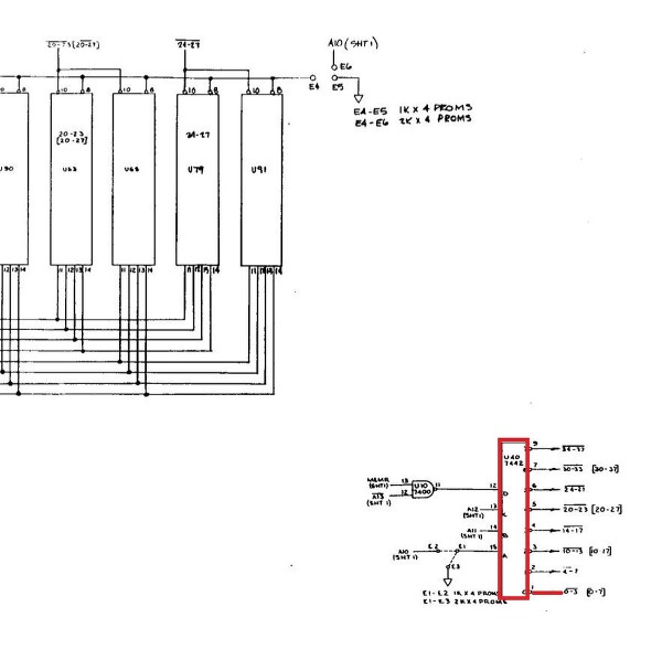
Die Programmbank - 12 Stück BPROMs anstelle von EPROMs - die erzeugen gut Abwärme!

Depthcharge

Ein Satz Video-RAMs...

Depthcharge

Die 8080 CPU mit diversen Bustreibern drum herum...

Depthcharge

Gremlin - ich mag das Logo und die Spiele sowieso!

Depthcharge

Die zwei üblichen Sequence und Control-BPROMs - hier mit den frühen Nummern 316-013 und 316-0014

Depthcharge

Und eine der wenigen Reparaturen mit beigelegtem original-Manual!

Depthcharge

Da macht es doch gleich viel mehr Spaß!

Depthcharge

Erst mal ein Grundaufbau - Depthcharge hat Besonderheiten, was die Spannungsversorgung betrifft: an den Pins wird vorausgesetzt, dass 5V und +/-15V vorhanden sind. Aus den +/-15V werden über zwei kleine Linearregler auf der Platine die +12V / -5V für die Versogrung der CPU und der RAMs abgeleitet! Die +/-15V sind für den Audio-Teil da, bei der Reparatur kann man darauf erst einmal verzichten. Die -5V/+12V speise ich auf der Platine hinter den Linearreglern ein.

Depthcharge

Der Takt taktet schon mal taktvoll...

Depthcharge

Reset zappelt wie blöd, kann aber über den Antenneneingang auf der Platine stillgelegt werden. Leider läuft das Programm nicht richtig los...

Depthcharge

CSYNC kann man sich auf auf der Platine klauen, somit ist das Spiel erst mal vollständig JAMMA-fiziert. Da Bild ist statisch...

Depthcharge

Hier sieht man die Antenne-Reset-Beruhigung...

Depthcharge

Die Bustreiber rund um die CPU treiben nicht mehr so gut...

Depthcharge

Ein 7408 ist völlig platt...

Depthcharge

Die Huckepacklösung hilft:

Depthcharge

Der Datenbus sieht plötzlich sinnvoller aus.

Depthcharge

Ein weiterer 7408 im Datenbus zum Video-RAM ist ebenfalls tot:

Depthcharge

Danach ist zumindest das Videobild etwas sauberer, die CPU läuft trotzdem noch nicht richtig.

Depthcharge

Ein 74125 ist auch sehr schlapp, den muss ich ersetzen, hab aber keinen Ersatz da. Also auf die Bestellung warten! Zumindest hab ich den 74LS08 schon mal eingelötet...

Depthcharge

Ein interessantes Detail: die Thermokamera enthüllt die Faulheit eines der beiden 7408 Datenbustreiber. Der defekte (rot eingekringelt) Treiberbaustein bleibt kalt, während der baugleiche darüber doch etwas wärmer wird.

Depthcharge

Bleiben Sie gespannt!


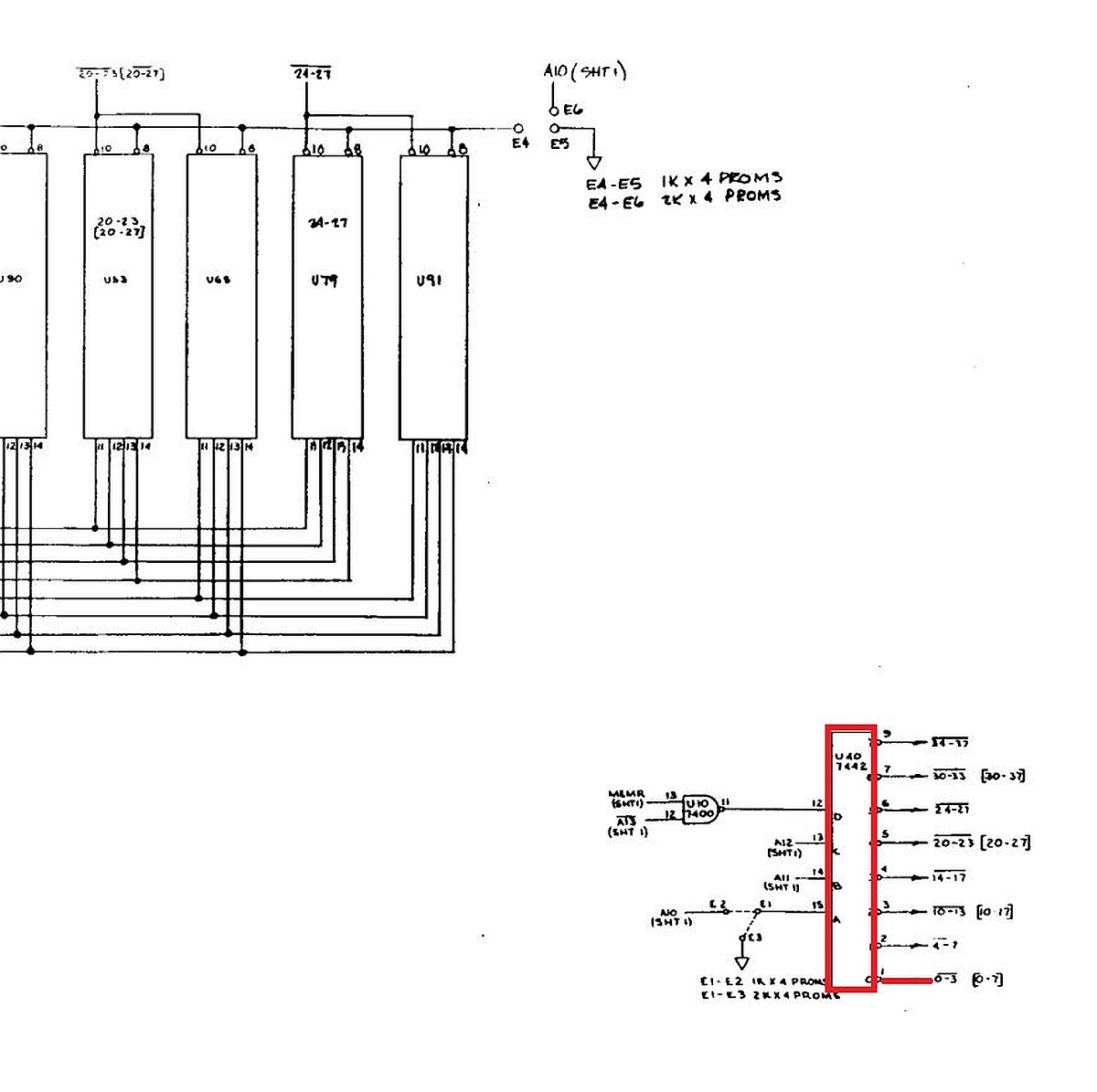
{Ich krieg dich!} O.K:, das Programm läuft nicht. Mögliche Ursachen: CPU defekt (Tausch bringt nichts), ROMs defekt (alle ausgelesen, alle O.K.), Adressbus korrupt (hier ist alles O.K.), Datenbus korrupt (hab schon die 7408 und den 74125 gewechselt...), Chip Selects... Da sieht es bei einem Select nicht wirklich gut aus: der High-Side-Treiber der Push-Pull-Ausgangsstufe ist platt an CS#0. Der 7442 muss getauscht werden!

Depthcharge

Datenbus korrekt!

Depthcharge

Chip Select korrekt! (Hier ist es mir das erste Mal gelungen, einen uralten TTL-Baustein mit einem noch älteren Ersatz zu tauschen! Quasi NEOS - "New Extremely Old Stock")

Depthcharge

Vier TTLs getauscht...

Depthcharge

... und es hat sich gelohnt!!!

Depthcharge

Doll abwechslungsreich ist das Game nicht, aber es ist ein uraltes Stück Arcade-Geschichte!

Depthcharge

Wen es interessiert: hier sind die bösen Buben im Schaltplan zu finden.

Depthcharge

Depthcharge

Depthcharge


© 2013 - 2024 · W. Robel e-Mail senden