Mike McBike @ Home / Arcade Reps Teil 8 / Super Breakout


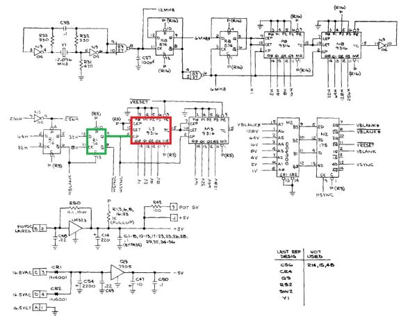
{Super Breakout} Ein weiteres Spiel aus der Arcade-Steinzeit. Aber im Gegensatz zum Breakout besitzt Super Breakout immerhin schon mal einen Prozessor und ein ROM. Der Prozessor ist - trotz verwirrender Atari-Sondernummer 90-6010 - nur ein schnöder 6502. Die ROMs sind bipolare PROMs 1024x4.

Super Breakout

H-Sync ist vorhanden, V-Sync ist tot und der 6502 ist im Dauerreset. Also fängt man am besten ganz von vorne an: die Taktteilerkette. Ein 74161 (6316) ist völlig tot und unterbricht damit die Teilerorgie. Divide et impera!

Super Breakout

Der Tausch führt zu einem stabilen guten Videosignal und die 6502 kommt aus dem Reset heraus...

Super Breakout

Sieht ordentlich aus - aber so richtig ändert sich am Bildinhalt noch nichts....

Super Breakout

Da werde ich mich noch weiter durch den Schaltplan durcharbeiten müssen...


{Super Breakout - Reparatur} Die CPU läuft ja nicht wirklich gut - ich teste das ROM durch und stelle fest, dass manche ROMs nicht mal 5V bekommen... Das kann ja nicht funktionieren!

Super Breakout

Die Sockel sind eigentlich gut und vergoldet, aber sie kontaktieren alle nur an einem Punkt am Pin. Durch die hohen Temperaturen der bipolaren PROMs und durch Korrosion ist diese Stelle bei fast allen Pins eingedrückt und extrem korrodiert.

Super Breakout

Alle Sockel müssen raus!

Super Breakout

Das ist eine fiese Arbeit...

Super Breakout

... die sich lohnt!

Super Breakout

Jetzt kommen die guten Sockel zum Einsatz.

Super Breakout

Fertig bestückt, alles kontaktiert. Nichts geht. Mist!

Super Breakout

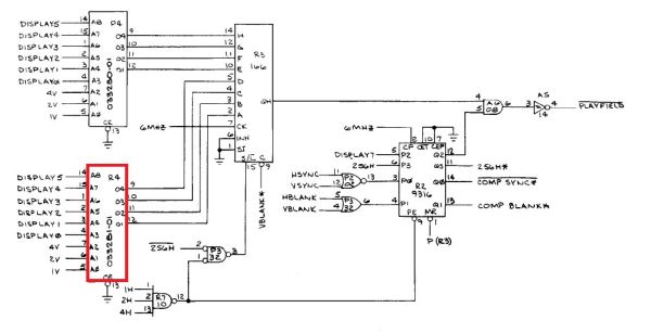
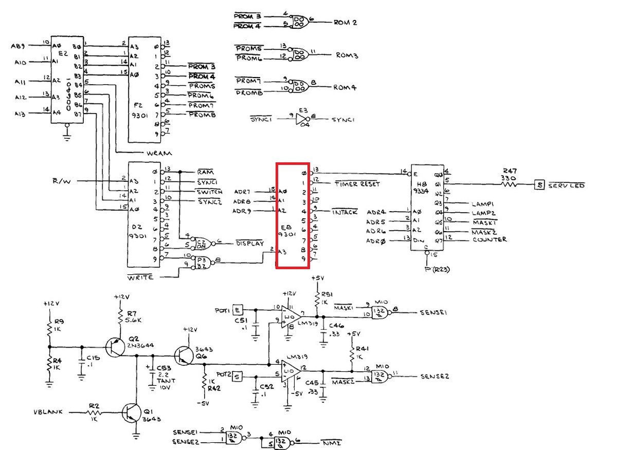
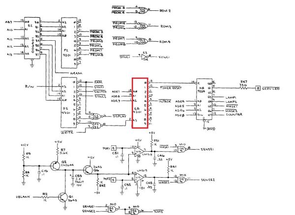
Die CPU hängt in der Interrupt-Schleife fest, es gibt kein Interrupt Acknowledge. Das könnte an einem völlig tauben 9301 BCD-zu-Dezimal-Decoder liegen...

Super Breakout

Ausgelötet ist der Kollege schnell...

Super Breakout

... wieder ersetzt hingegen nicht. DM9301 ist Goldstaub. Es gibt ihn schlicht nicht mehr - und wenn, dann zu astronomischen Preisen. Mein Glück ist, dass es sich hierbei um einen 7442 mit unterschiedlichem Pinning handelt. Da muss wohl ein Adaptersockel her!

Super Breakout

Sieht nur halbwegs gut aus...

Super Breakout

... passt aber perfekt.

Super Breakout

Die CPU läuft! Das Spiel startet, sieht aber noch suboptimal aus.

Super Breakout

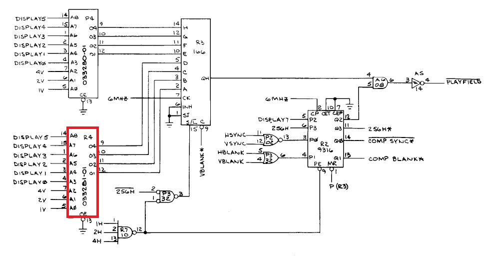
Das nächste Miststück: ein taubes PROM vom Typ 74S131 - ein bipolares PROM 2kx4 Tri-State. Hab ich natürlich nicht vorrätig...

Super Breakout

Aber hey, noch eine ganze Schublade 74S130 - das Gleiche in Open-Collector!

Super Breakout

Es kommt wieder mal meine antike Brennerei zum Einsatz:

Super Breakout

Super Breakout

Und Pull-Up-Widerstände machen aus einem Open-Collector fast ein Tri-State - zumindest mit passivem High. Hier reicht das.

Super Breakout

Das Spiel läuft wieder einwandfrei - sogar mit abwechslungsreichen Spielleveln! Quasi Arkanoid für Arme!

Super Breakout

Super Breakout

Jetzt fehlt noch die Diagnose der Controls und des Sounds.


© 2013 - 2024 · W. Robel e-Mail senden