Mike McBike @ Home / Elektronik / Arcade Netzteile


{Arcadenetzteile im Dreierpack - Teil 1: das Normale} Wer mit Arcadeplatinen hantiert, der benötigt Arcade-Netzteile. 5V, 12V und -5V sind nötig, viel Ampere sind gut. Diese Netzteile sind mittlerweile recht günstig und das hat seine Gründe. Erst einmal ist die Schaltung sehr einfach und zweitens nehmen die Hersteller teilweise so richtig billige Komponenten.
Hier mal ein normaler Vertreter seiner Zunft: Ordentliches Blechgehäuse, guter Kühlkörper. Die Symptome: beim Einschalten geht die Ausgangs-LED mal kurz an und dann wieder aus...

Arcade Netzteile

Ganz selten ist mal ein Treibertransistor durchlegiert, das stellt man im ausgelöteten Zustand schnell mit dem Diodentester fest.

Arcade Netzteile

Die hier waren in Ordnung, dann bleibt die wahrscheinlichste Ursache: ausgetrocknete Elkos.

Arcade Netzteile

Sowohl die großen Pufferelkos an den Ausgängen, als auch die kleinen Hilfselkos für Reset, Timing, Überspannung etc. kommen in Frage - einfach alle raus!

Arcade Netzteile

Die einzigen Elkos, die ich nur auf dringenden Bedarf tausche, sind die 200V-Eingangskreistypen, die sind teuer, schwer zu bekommen und selten defekt.

Arcade Netzteile

Interessantes Detail bei dieser Art von Netzteilen: sie laufen ohne Grundlast, weil sie ihre Grundlast permanent selbst verbraten. das führt zu (ganz normalen) erheblichen Temperaturen an manchen Lastwiderständen... die Kisten bekommen keinen Umweltengel.

Arcade Netzteile

Arcade Netzteile

Arcade Netzteile


{Arcadenetzteile im Dreierpack - Teil 2: das Luxusexemplar} Der zweite Patient kommt im schicken Strangpressgehäuse daher - war bestimmt nicht so billig wie die anderen Geräte...

Arcade Netzteile

Die Ausgangselkos machen schon optisch dicke Backen...

Arcade Netzteile

Die HV-Elkos sind O.K..

Arcade Netzteile

Hier muss man richtig arbeiten, um die Platine zu demontieren. 2SC3039 ist hier weit verbreitet...

Arcade Netzteile

Die Ausgangsgleichrichter gehen nur sehr selten kaputt, kommt aber auch mal vor.

Arcade Netzteile

Hier ist das gute Stück ohne Kühlkörper:

Arcade Netzteile

Die Pluspole sind markiert - falls nicht, helfen Fotos...

Arcade Netzteile

Die Ernte hat sich gelohnt. Nach Kondensatortausch funktioniert das Netzteil einbwandfrei.

Arcade Netzteile


{Arcadenetzteile im Dreierpack - Teil 3: das Billige} Und dann noch der totale Billigheimer - billiges Blech, billige Montage, billige Platine...

Arcade Netzteile

Lose Pins?

Arcade Netzteile

Ach... die Transistoren sind rückwärtig montiert - mit aufgelegten Pads...

Arcade Netzteile

Wie Kraut und Rüben...

Arcade Netzteile

Wer findet die kalte Lötstelle?

Arcade Netzteile

Der Schmodder ist Kleber - aber der Elko ist schon gut gewölbt.

Arcade Netzteile

Und der hier zieht sich schon das Kleid aus, weil's so warm ist...

Arcade Netzteile

Neubestückt - geht wieder. Bei der Qualität lohnt sich die Arbeitszeit aber nicht wirklich

Arcade Netzteile


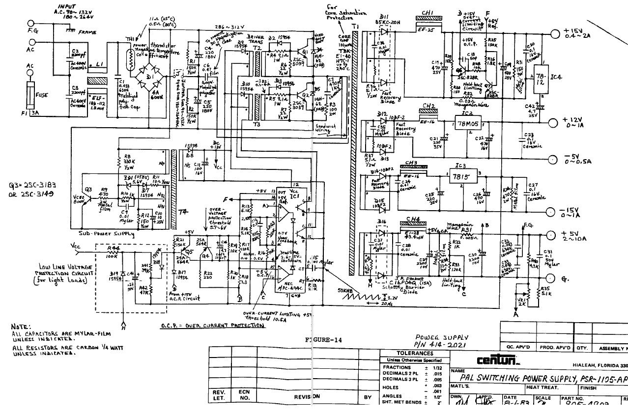
{Der Standard-Schaltplan} Wer nun für so ein Billignetzteil einen Schaltplan sucht, der zumindest ähnlich ist, wird beim Arcadespiel "Badlands" fündig. Die Gegentaktstufe mit 2SC3039 ist hier fast 1:1 mit drin.

Arcade Netzteile



© 2013 - 2024 · W. Robel e-Mail senden