Mike McBike @ Home / Museum / KC 85/3 Homecomputer


{KC 85/3 Homecomputer} Schon lange auf meiner Wunschliste: DER DDR-Kleincomputer vom VEB Mikroelektronik "Wilhelm Pieck" Mühlhausen. Der war mir schon länger wichtig, ist er doch ein imposantes Stück Zeitgeschichte aus der Sparte "Wir hatten damals doch nichts...". Hier erst mal die Tastatur mit Klebstoff, der nicht mehr klebt. Nach heutigen Maßstäben wäre das Gerät vermutlich schon an der nicht prozesssicheren Handarbeit bei der Verklebung gescheitert...

KC 85/3 Homecomputer

Immerhin genügt ein zweipoliger Klinkenstecker für die Kontaktaufnahme und die Tasten prellen nicht.

KC 85/3 Homecomputer

Das Produktschild: auch abgefallen...

KC 85/3 Homecomputer

Das Gute daran ist das Gute darin: nicht viel...

KC 85/3 Homecomputer

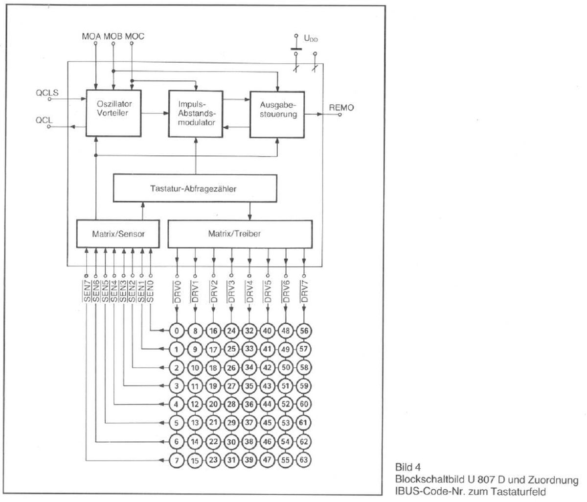
Außer einem U807D Fernbedienungsdecoder.

KC 85/3 Homecomputer

Den hat man extra für Infrarot-Fernbedienungen entwickelt, wieso dann nicht auch in einer Computertastatur einsetzen? Warum zum Teufel dann nicht gleich die Tastatur infrarottauglich machen? Vermutlich waren die Infrarot-LEDs gerade alle...

KC 85/3 Homecomputer

Noch ein wenig Hühnerfutter für die TTL-Pegel:

KC 85/3 Homecomputer

Der Rechner hingegen - war ja klar - geht nicht.

KC 85/3 Homecomputer

Im Namen von Marx und Lenin: was machen die RAMs vom Klassenfeind hier drin? Vermutlich ein spätes Baujahr... Ostdeutsch, Amerikanisch, Russisch - damals in trautem Miteinander.

KC 85/3 Homecomputer

Der Rechner geht nicht, weil er keinen Strom bekommt. Profane Ursache ist diese Sicherung.

KC 85/3 Homecomputer

An die Lötstellen kommt man gut von unten dran.

KC 85/3 Homecomputer

Das ist auch gut so, weil die Ursache eigentlich nicht in der Sicherung, sondern im Sicherungshalter liegt.

KC 85/3 Homecomputer

Bäh....

KC 85/3 Homecomputer

Nach gründlicher Reinigung mit Drahtbürste und Feile geht alles ganz geschmeidig.

KC 85/3 Homecomputer

Nur am Antennenausgang kommt nichts raus, aber wir haben ja auch FBAS auf diversen Pins verfügbar. 15.6kHz HSYNC...

KC 85/3 Homecomputer

50Hz VSYNC.

KC 85/3 Homecomputer

Und ein hübsches Videosignal.

KC 85/3 Homecomputer

Hier mal die Videosektion:

KC 85/3 Homecomputer

Nebenbei: muss diese Unterbrechung da sein?

KC 85/3 Homecomputer

Der Rechner spart nicht an Bausteinen.

KC 85/3 Homecomputer

Und hey, er läuft einwandfrei! Basic startet und die Programmausführung läuft auch. Die Farbdarstellung mit FBAS ist sehr stabil und frei von Säumen.

KC 85/3 Homecomputer

Ich denke, da gibt es die Tage noch viel zu entdecken und zu testen. Ich freue mich auf jeden Fall über dieses außergewöhnliche Stück Technik von 1985!

KC 85/3 Homecomputer


© 2013 - 2024 · W. Robel e-Mail senden