Mike McBike @ Home / Arcade Reparaturberichte / Pole Position Reparatur


{Pole Position} Aus dem gammeligen Automaten direkt auf den Tisch. Die Steckverbinder sind - wie gewohnt - verschmort, zu wenig Kupfer für zu viel Strom. Dafür waren die Stromkabel schon direkt auf die Platine gelötet...

Steckverbinder 1

Steckverbinder 2

{Akkublüte} Auch der Akku hätte schon mal vor 20 Jahren gewechselt gehört... Laugenblüte in ihrer ganzen Pracht. Chemischer Frühling. Ich bin gespannt, ob hier wieder alles zu retten ist.

Akku habe fertig.

Chemie in voller Pracht

{Vorbereitungen und Diagnose} Nach gründlicher Reinigung und Entfernen des ausgelaufenen Akkus zeigt sich, dass die PCB nicht wirklich gut an den Start geht. Der Videobereich scheint zu funktionieren, das Bild ist klar und stabil. Zu stabil für meinen Geschmack... ROM 1 ERROR!

CPU-PCB

Pole Position


{Fehlersuche} ROM 1 ist das kleine EPROM direkt unter der Z80 CPU... einfach mal alle EPROMs auslesen... ROM 0 hat die seltsame Beschriftung 136014.205 - MAME kennt das nicht, ebenso wenig, wie die Prüfsumme. Ein Austausch mit einem Original ROM (nachgebrannt) bringt auch keine Linderung...

CPU-PCB

Alle Daten- und Adressbussignale sind aktiv... die Customs sind korrodiert, haben aber alle Kontakt... Wer überprüft die Audio-ROMs? Wie läuft das ab? Lauschen die Z8002 mit, wenn der Z80 die Adressen durchtackert? Ich verstehe das System noch nicht... Nach Stunden der Schaltplanrecherche ergibt sich folgendes Bild: der Z80 macht alle ROM-Und RAM Tests in seinem Bereich und hält die beiden Z8002 im Reset. Klappt alles, dann weden die zwei anderen Prozessoren gestartet. Der Fehler muss also im Bereich Z80 liegen!

Nicht aufgeben heißt die Devise! Never give up, never surrender! ;-) Nächster Schritt: vielleicht blockieren die schnellen Sound RAMs irgendetwas auf dem Datenbus - also tauschen:

Pole Position

So ganz ohne Sound RAMs wird ordnungsgemäß RAM 6 Error ausgegeben:

Pole Position

Pole Position

Mit RAM 6 im Sockel wechselt der Fehler also zu RAM 7 - alles gut. (2148 und 2149 sind übrigens problemlos austauschbar...)

Pole Position

Pole Position

Sind dann beide RAMs drin, springt der Fehler leider wieder zu ROM 1, Position 7F:

Pole Position

Pole Position


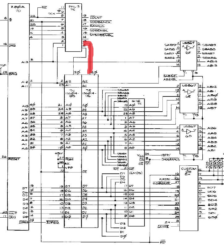
Die RAM/ROM Prüfungen funktionieren also alle. Dann muss der Fehler tatsächlich an der Kommunikation zu ROM 1 liegen - Adressen und Datenleitungen sind alle gut, keine Unterbrechungen. Jetzt prüfe ich die CS# Steuersignale: ROM 0 (7H) wird angesprochen, ROM 1 nicht... Alle Steuersignale kommen aus dem ekeligen PLA 82S153... Es geht alles hinein, nur Pin 13 bleibt auf Dauer-High... ROM 1 wird trotz Testroutinen gar nicht angesprochen... Es gibt aber Ersatz...

Pole Position

Pole Position

Pole Position

Im Internet findet man nach einiger Suche unter http://www.jammarcade.net/pal-dumps/ ein Jedec File, welches das PLA 82S153 in einem GAL16V8 abbildet. Gut, denn PLAs kann noch nicht einmal ich heutzutage brennen... In meinem Kellerfundus findet sich neben dutzenden 16L8 noch ein einziger GAL16V8... sollte heute mein Glückstag sein?

Pole Position

Mrdo ist mein Held - er hat das JEDEC File für den Ersatzbaustein erzeugt.

Pole Position

Jetzt ist alles neu - ROMs, RAMs, eine 20MHz Z80 CPU und ein neuer Baustein in 7C...

Pole Position

Pole Position

Was ist wohl defekt, wenn der ROM Test durchlaufen wird?

Pole Position

Nichts... Juhuuuuu!

Pole Position

Pole Position

Pole Position


© 2013 - 2024 · W. Robel e-Mail senden