Mike McBike @ Home / Arcade Reparaturberichte / Stratovox Reparatur


{Fehlerbeschreibung} Keine näheren Angaben, angeblich reparaturbedürftig. Einem freundlichen Forumsmitglied habe ich einen umfangreichen Naturalientausch zu verdanken, bei dem auch die Reparatur der besagten Stratovox Bestandteil war. Erstmal erschwert einem diese Platine die Inbetriebnahme durch jeweils einen 18poligen Stecker auf beiden Platinen, wobei der eine Stecker nur der Spannungsversorgung dient. Nach umfangreichen Lötarbeiten musste ich dann feststellen: kein Bild beim Einschalten. Das Oszilloskop zeigt ein stabiles Videosignal an den drei 220 Ohm Widerständen, die für das RGB-Signal zuständig sind. Also Steckerbelegung geprüft und: die Belegung im Internet ist falsch - Komponenten- und Lötseite sind vertauscht!
Nach Umlöten: ein stabiles Bild mit vielen grünen Streifen. Mist.
Schaltplanstudie führt zur gezielten Überprüfung.

CPU-Takt prüfen: 10 MHz Takt --> ist O.K.
Arbeitet die CPU? Adressbus/Datenbus Z80 1 und 2 --> Stille !!!
RESET freigegeben? Resetleitung Z80 --> stabil 0V (schlecht bei einem lowaktiven Signal...)

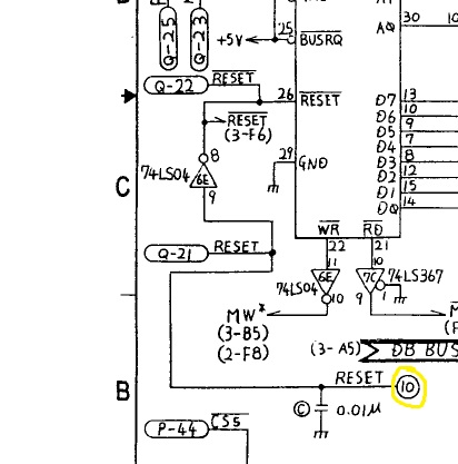
Der Schaltplan verweist bei Reset# auf einen Pin 10, das ist im Internet beim Pinning nicht beschrieben... Da fällt's mir ein: Taito Space Invaders Part 2 hatte den Mist auch: eine externe Beschaltung für den globalen Reset auf der Steckerleiste, wenn der nicht auf Masse liegt (Inverter ist on board), dann geht gar nichts.
Also: zusätzliches Kabel von GND nach PIN10 gelegt und das Spiel läuft. Juhu. Sogar mit Ton, auch wenn man die Samples wirklich nicht versteht... ;-) Leider funktioniert das harte RESET nicht bei jedem Einschalten. Daher muss, wenn man keinen RESET-Schalter einbauen will, eine Power-ON-RESET-Schaltung her. Diese deaktiviert den Reset-Eingang erst einige Millisekunden nach dem Einschalten. Da haben alle Baugruppen Zeit, sich nach dem Einschalten in einen definierten Zustand zu bringen.

RESET#


{RESET me!} Wir brauchen eine Schaltung, die beim Einschalten sofort 5V liefert und nach einer bestimmten Zeit schlagartig auf 0V wechselt. Ein reines RC-Glied liefert beim Einschalten 0V, da ja der Kondensator erstmal leer ist, also benötigen wir einen Inverter. Damit die Flanken bei langsam ansteigenden Spannungsverläufen sauber schalten, nimmt man am Besten einen Schmitt-Trigger-Baustein. Dieser schaltet bei einer höheren Spannungsschwelle ein, dafür bei einer niedrigeren erst wieder aus. So kann es nicht zum Schwingen kommen. Als passenden Schmitt-Trigger-Inverter nehmen wir einen 74LS14, der hat gleich sechs Stück davon. Wir benötigen allerdings nur einen, egal welchen. Wer ganz sicher gehen will, legt alle unbenutzten Eingänge auf 0V (Masse). Ich habe das hier nicht gemacht.

RESET#

{Aufbau} Aufgebaut wir das Ganze auf einem kleinen Stück Lochrasterplatine. Diese kann später dann entweder auf dem Adapter (Jamma-Stecker) oder direkt auf der Spieleplatine befestigt werden. Ganz nach Geschmack. Zusätzlich zum Inverter benötigen wir optional zur Stabilisierung 100nF zwischen +5V und Masse, so nah, wie möglich am IC und als Zeitglied einen Widerstand 1kOhm gegen +5V, der einen Kondensator 10µF gegen Masse nach dem Einschalten langsam auflädt. Zwischen Widerstand und Kondensator liegt dann die ansteigende Spannung, die wir auf den Eingang des Inverters führen. Der Ausgang des Inverters wird dann mit dem RESET-Eingang auf der Platine verbunden.

voll bestückt

Lötseite

Eingebaut...


{Ergebnis} Dem Signalverlauf auf dem Oszi kann mann entnehmen, dass der RESET-Impuls ca. 5ms nach Einschalten der Versorgungsspannung erscheint. Durch Variation am Widerstand oder am Kondensator kann mann das Zeitverhalten in weiten Bereichen variieren. Für unsere Zwecke reicht das so (empirisch ermittelt!). Der rote Spannungsverlauf ist das RESET-Signal, die gelbe Kurve zeigt die Spannung zwischen Kondensator und Widerstand. Der Einschaltmoment ist in dem Augenblick, in dem die Ladekurve anfängt, zu steigen.

Signalverlauf

{Degaussing} Wenn man den Farbmonitor im Betrieb dreht und somit im Erdmagnetfeld bewegt, kann man sehen, wozu die automatische Entmagnetisierung (Degaussing) nützlich ist: sie verhindert, das das Farbbild farbiger wird, als man möchte...

Bunt...


© 2013 - 2024 · W. Robel e-Mail senden