Mike McBike @ Home / Arcade Reps Teil 6 / Caveman Ninja


{Data East Caveman Ninja} Mal wieder eine Reparatur, bei der eindeutig ist, warum sie nötig wurde. Caveman Ninja von Data East - ein wüstes Custom-Grab. Angeblich funktionieren Button 1 und Button 2 nur gemeinsam, also der Caveman springt immer beim Schießen...

Caveman Ninja

Die elektronische Inspektion ergibt ein Signal bei beiden Knöpfen, egal, was man drückt... Die optische Inspektion ergibt Kohlenstoff und Ruß, wo er nicht hingehört.

Caveman Ninja

Das passiert immer genau dann, wenn man bei diesen PCBs den JAMMA-Stecker verkehrt herum aufsteckt! Dan ballern die 12V für den Audio-Amp auf die Button-Kanäle...

Caveman Ninja

Meist reißt es dann den Custom 104 mit, der blockiert zuweilen dann auch den CPU-Datenbus...

Caveman Ninja

Erstmal die Leiche ausgelötet - Ersatz hab ich leider keinen. Bei den funktionierenden kommt aber auch blos Low raus, wenn man den Eingang gegen Masse brückt... Vermutlich ein Pullup mit Filter, ggf. mit Transistor - Egal...

Caveman Ninja

Ich probiere einfach mal die einfache Variante: 100 Ohm als Strombegrenzung Richtung 104 und einen 10k Pullup am Eingang. Versuch macht kluch!

Caveman Ninja

Und was soll ich sagen? Es funktioniert!


{DATA EAST RCDM-I107} Weil ich immer alles genau wissen will: Heißluftfön auf 220°C, feiner Uhrmacherschraubendreher und der Lack geht prima ab!

RCDM-I107

Von beiden Seiten...

RCDM-I107

Die SMD Teile unter dem Mikroskop - Kennung A5 ist unmissverständlich...

RCDM-I107

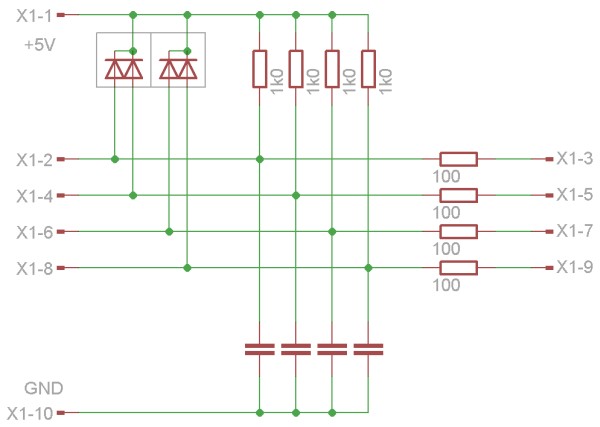
Duale schnelle Schutzdiode - alles was hier über 5,6V ist, fließt gegen +5V ab... Da kommt bei 12V ganz schön was an Strom raus...

RCDM-I107

Das ist der Schaltplan - ich lag als gar nicht so falsch. Funktioniert natürlich auch ohne Kondensatoren und Schutzdioden.

RCDM-I107


© 2013 - 2023 · W. Robel e-Mail senden