Mike McBike @ Home / Arcade Reps Teil 6 / Zippy Race


{Zippy Race} ein nettes Autorennen aus den Anfangszeiten der Arcadespiele.

Zippy Race

Als Erstes fällt mir im Betrieb "Schnee" auf, willkürlich erscheinende Pixel, die durch Berührung diverser Leiterbahnen deutlich zunehmen...

Zippy Race

Der Straßenrand hat kaum sichtbare Streifen...

Zippy Race

Ich bin gespannt, was diese Platine noch für mich bereit hält...


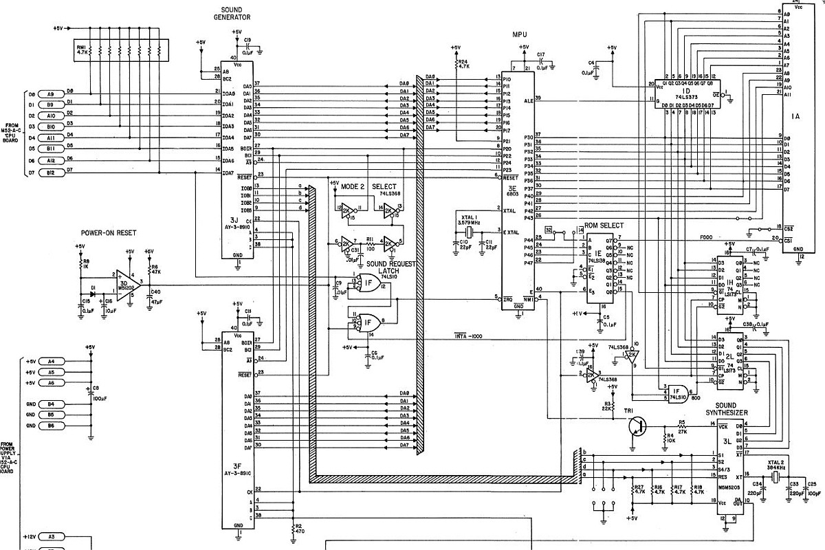
{Zippy Race Reparatur} Nach einer längeren Pause gibt es mal wieder einen Reparaturbericht von mir. Zippy Race - ohne Ton - aber der Verstärker brummt. Es gibt keinen Schaltplan... Dafür ist der Schaltplan von Moon Patrol fast identisch, zumindest in der Sound-Ecke.

Zippy Race

Ein 6803 wird über einen AY-3-8910 angesteuert, um einen weiteren AY-3-8910 zu steuern. Nur böse Menschen denken sich sowas aus... Die Kondensatoren um den Verstärker haben schon bessere Zeiten gesehen - das ist wohl beim vorherigen Verstärkertausch passiert - hier werde ich mal ersetzen.

Zippy Race

Hier ist mal die Audio-Sektion in ihrer vollen Pracht. Ganz schön viel Aufwand für Piep-piep...

Zippy Race

Status: die Soundanforderung kommt am AY an, der 6803 taktet, stellt sich aber irgendwie tot. Das Sound-EPROM habe ich ausgelesen und sicherheitshalber auch mal neu gebrannt - da ist Datenverkehr. Ungeschützt. Trotzdem gibt es keinen Sound...
Ich tausche die beiden AY untereinander - der Ton geht. Ich tausche wieder zurück - der Ton geht nicht - ich freue mich. Ich tausche wieder - jetzt geht der Ton nicht... wassndasfürnscheiß?
Ich tausche den 6803 - Ton geht nicht... Ich tausche zurück - Ton geht... jetzt dämmert es mir: es liegt nicht an den Komponenten - es liegt am Aus- und Einschalten: manchmal geht's, manchmal eben nicht.
Jetzt sehe ich mir den 6803-Reset an: der wird beim Einschalten verzögerungsfrei High - das sollte so nicht sein... Hier ist mal die RESET#-Mimik: Kondensatoren und ein Komparator im Transistor-Gehäuse:

Zippy Race

Mit neuen Kondensatoren wird der RESET# sehr gemütlich... - und der Ton geht immer!!!

Zippy Race

Und die restlichen Caps hab ich auch gleich noch getauscht...

Zippy Race

Fazit: es sind oft nicht die komplexen Bausteine, die defekt sind.


© 2013 - 2023 · W. Robel e-Mail senden