Mike McBike @ Home / FPGAs / Projekt Pong / V-Sync


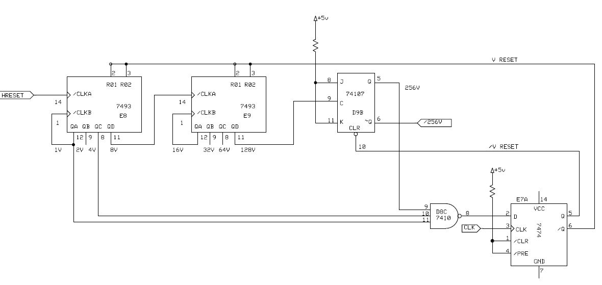
{Vertikal-Synchronisation} Der Vertikalzähler-Teil unterscheidet sich nur geringfügig vom H-Sync-Aufbau, gleiche Zähler, ein wenig andere Logik, es sind ja auch eine unterschiedliche Anzahl Spalten und Zeilen... Wieder blicken wir zuerst in den Schaltplan:

PONG!

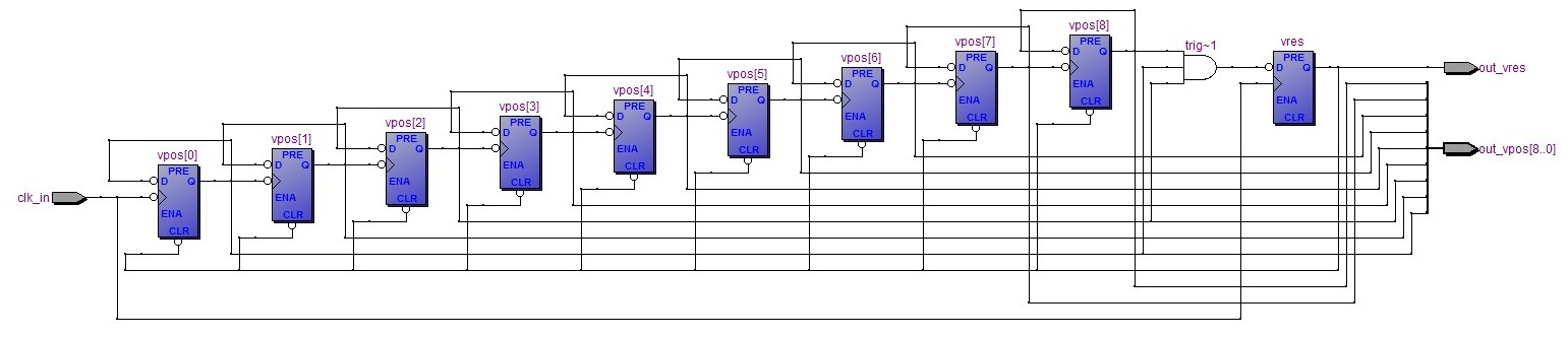
Wenn man in VHDL alles richtig beschrieben hat, dann gleicht das Ergebnis dem Schaltplan.

PONG!

Dann kommt noch etwas Logik, um aus den Horizontal- und Vertikal-Informationen passende Synchronimpulse und zu guter Letzt ein leeres Videosignal zu bauen:

PONG!

Hier das Ergebnis nach der Compilierung:

PONG!

Wenn man das Videosignal mit dem Oszi ansieht, dann kann man schon mal die kombinierten Synchronpulse erkennen.

PONG!

PONG!

Als nächsten Schritt wollen wir mal die ersten sinnvollen Bildinhalte erzeugen...


© 2013 - 2016 · W. Robel e-Mail senden