Mike McBike @ Home / Vectrex / Vectrex Reparatur - die 6.


{Vectrex abgebrannt} Bei Ihbäh Kleinanzeigen hab ich einen Vectrex-Controller in gutem Zustand plus zwei Spiele komplett mit Box und Overlay für einen guten Kurs erstanden, der Kontakt zur Verkäuferin war sehr nett und sie teilte mir mit, sie hätte womöglich noch eine abgerauchte Vectrex im Keller. Toll! Zwei Tage später war ich wieder da, um diese abzuholen. Für günstige Elektroschrottentsorgung bin ich immer zu haben. Ich hab natürlich gezahlt... ;-) Jetzt weiss ich, was sie mit "abgeraucht" gemeint hat. Nachdem ich die durchgebrannte Feinsicherung ersetzt hatte, beglückte mich die Vectrex mit stinkenden, wabernden Rauchschwaden. Ohje... Mit etwas Geduld konnte ich die Ursache des Brandes ausmachen:

Vectrex 6

Eine kurzschlüssige stromkompensierte Drossel - so einen Fehler hatte ich wirklich noch nie gehabt.

Vectrex 6

Hier ist die Übeltäterin:

Vectrex 6

Professionell repariert - ich hab leider gerade keine passende Drossel da:

Vectrex 6

Und eingeschaltet:

Vectrex 6

Vectrex 6

Ist sie nicht hübsch?

Vectrex 6

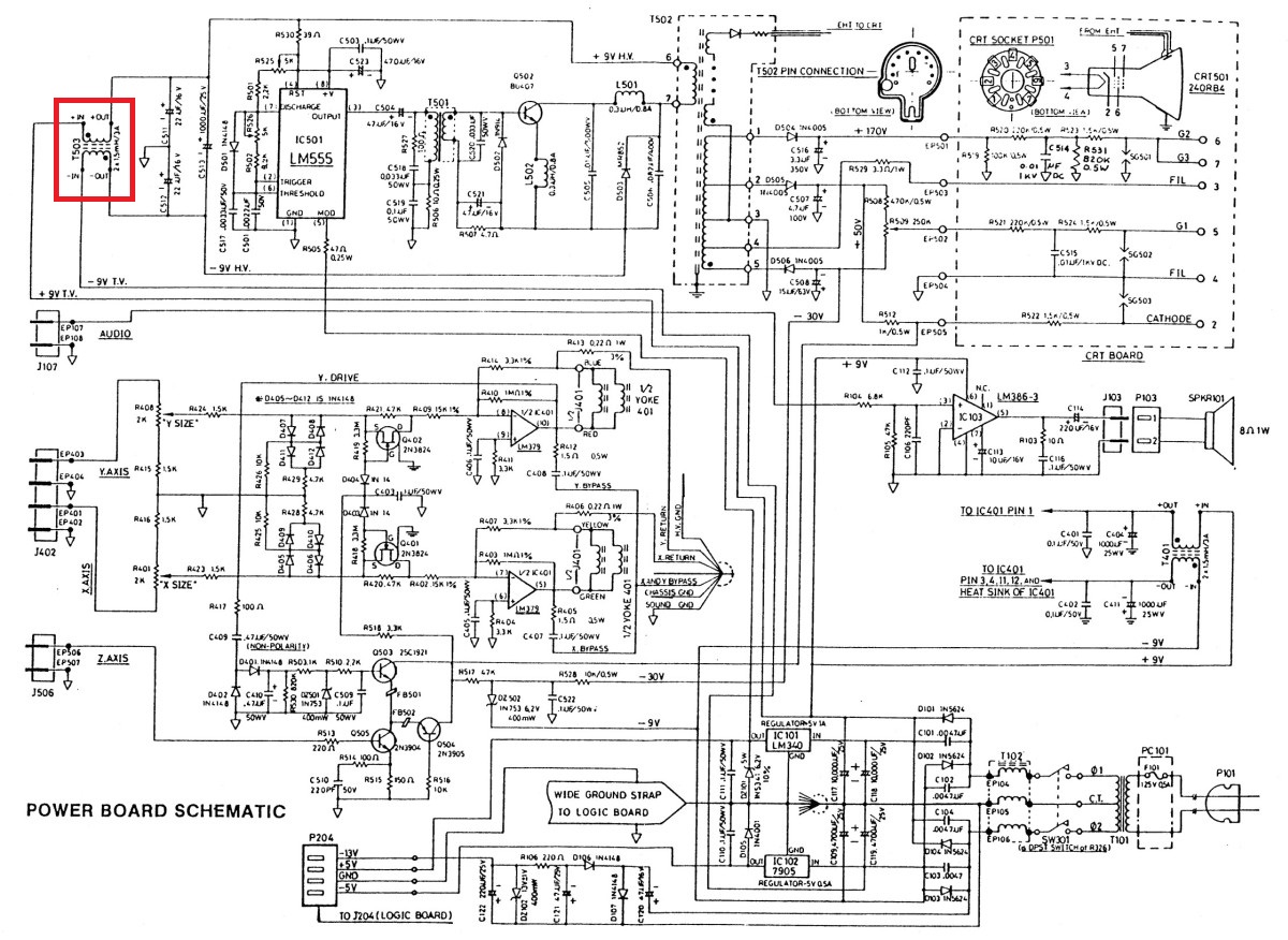
Hier noch mal der Ort im Schaltplan, an dem die Drossel singt - äh... sitzt.

Vectrex 6

Nun hab ich mal sinnvoll in der Grabbelkiste des EMV-Labors gewühlt:

Vectrex 6

Ersatz ist gegeben (auch wenn der Einbau ohne völligen Ausbau der Platine echt fummelig ist...):

Vectrex 6

Und die Vectrex brummt wieder wie am ersten Tag!

© 2013 - 2024 · W. Robel e-Mail senden