Mike McBike @ Home / Arcade Reps Teil 2 / Asterix


{Fehlerbeschreibung} RAM-Fehler beim Start: 18E und 19E Bad! Zu Asterix gibt es leider keinen Schaltplan, also muss man die Adressen und Daten an den entsprechenden RAMs mal mit dem Oszi ansehen.

PCB


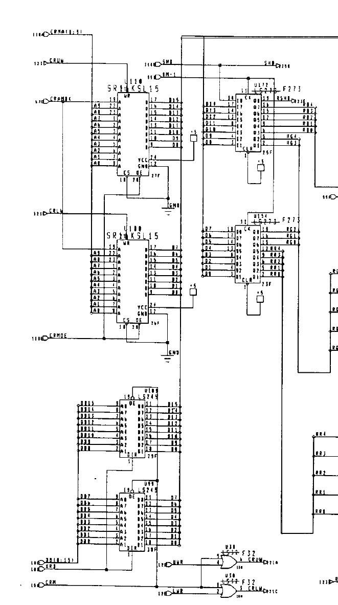
{Diagnose und Reparatur} Auf der Platine waren schon einige Bustreiber und Latches getauscht, aber eben noch nicht alle, die Kontakt zu den gemeldeten RAMs haben. Es waren Datenleitungen auffällig still, somit lag es Nahe, die restlichen Bustreiber auch noch zu tauschen. Das Ergebnis war enttäuschend: keine Änderung im Fehlerbild. Also blieb nur die systematische Suche nach dem Verbleib der Datensignale mit Oszi und Durchgangsprüfer. Daraus ergab sich folgender Schaltplanteil:

Schaltplan

Es zeigte sich, dass bei beiden RAMs keine leitende Verbindung zu Datenbit 0 bestand. Das wollte ich dann mal mit einer einfachen Strippe überprüfen - sollte es so einfach sein?

Strippe

Einfach mal angeschlossen und - die Spannung steigt...

Screenshot

Bingo! der erste Fehler ist weg!!! Gleich mal die zweite Fehlstelle verstrippt:

Strippe 2

Strippe 2


{Reparatur} ...das war ja (fast) einfach, ich hätte mir den Treibertausch sparen können, die Unterbrechungen wurden vermutlich von dem Täter verursacht, der die ersten Treiberbausteine getauscht hatte... Einmal mit Spezialisten zusammenarbeiten... ;-)

Screenshot

Screenshot

Gefädelt

Jetzt noch sauber gefädelt... und ganz zum Schluss habe ich mir noch die verfügbaren Schaltpläne ähnlicher Spiele durchgesehen und tatsächlich ein passendes Exemplar gefunden: Run and Gun hat die gleiche RAM-Anbindung... Aber wer braucht schon Schaltpläne? ;-)

Schaltplan


© 2013 - 2023 · W. Robel e-Mail senden