Mike McBike @ Home / Arcade Reps Teil 2 / Mr. Do!


{Fehlerbeschreibung} Mein neuer Patient: eine Mr Do! Bootleg mit dem Problem "Bild viel zu dunkel und komisch".

Mr Do! PCB

Screenshot

Screenshot


{Reparatur} Das Oszi zeigt mir: die beiden Colour-PROMs sind völlig platt. Das ist komisch, da die heir ja gar nicht direkt am Ausgang liegen, sondern noch gelatcht werden. Gut, dass mein Chip Writer 82S123 problemlos brennen kann! Und schön, dass ich noch eine zweite Mr. Do habe, die ein gutes Videosignal liefert. Diese dient als PROM-Datenspender.

Die alten PROMs

Die neuen PROMs

Screenshot

Screenshot


{Reparatur 2} Toll. Das Bild ist klar und hell! Aber irgendwie stimmen die Farben nicht... Und das bei beiden Kandidaten. Vielleicht mal mit PROM-Tausch versuchen?

Screenshot

Screenshot

{Fazit} Uff... kaum macht man es richtig, schon funktioniert es. Man darf nie davon ausgehen, dass bei Reparaturkandidaten alle Bausteine auch in den richtigen Sockeln sitzen.

Noch ein Hinweis zu den Eingangsstufen bei "Mr Do!" und "Do! Run Run": die vier verschiedenen Bootlegs sind in unterschiedlichem "Bearbeitungsstand"! Während der Münz-Eingang bei Mr Do! einen internen Pullup auf der Platine aufweist...

Mr. Do! Eingangsstufe

{Eingängig...} besitzt die von Do! Run Run dieses Feature nicht - und funktioniert mit einer Standard-Jamma-Verkabelung halt auf Anhieb auch nicht... Da muss dann ein externer Pull-Up (1k gegen +5V) nachgerüstet werden.

Do! Run Run Eingangsstufe


{Reparatur 3} Die zweite Bootleg funktioniert ja nach dem PROM-Tausch auch gut, nur hat sie leider kurzzeitige Pixelfehler, wenn Sprites auf dem Schirm sind, ich bin gespannt, ob das zu beheben ist:

Screenshot

Screenshot


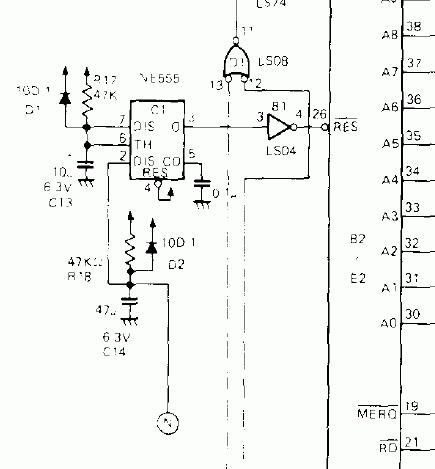
{Reparatur 4} Es geht weiter: die eine Mr. Do! weigert sich, beim ersten Mal zu starten, die Z80 CPU wird heiß, Datenbus ist undefiniert. Nach 2-5x Anschalten springt das Biest irgendwann an... Der Reseteingang ist High. Hmmm... Ah, der Reseteingang ist IMMER High.

RESET#

O.K., das sollte nicht sein, der NE555 Timer sollte erst nach einer gewissen Zeit den Reset freigeben. Fazit: NE555 defekt!


© 2013 - 2023 · W. Robel e-Mail senden