Mike McBike @ Home / Arcade Reps Teil 4 / Future Spy


{Future Spy Reparatur} Eine weitere Leiche im Keller: Future Spy. Da ich eh erst eine Zaxxon gereppt hatte, lag noch der passende Jamma Adapter bei mir rum. Future Spy gibt es in mehreren PCB-Variationen. Zwei PCBs, drei PCBs, mit Zaxxon Original PCBs... somit ist der Schaltplan nur begrenzt richtig... Hier das CPU-Board:

Future Spy

Original Zaxxon Video-Board:

Future Spy

Das separate Soundboard:

Future Spy

Ein seltsamer Custom Z80 mit PAL...

Future Spy

Future Spy

Hier mal wieder mein "Bück Dich" Arbeitsplatz...

Future Spy


{Diagnose} Zustand: völlig unbekannt... also erst mal einschalten: O.K. Keine CPU Aktivität, aber immerhin ein Bild...

Future Spy

Die provisorische Verkabelung der GFX-EPROMs sieht nicht gut aus, aber daran kann es nicht liegen, sind ja nicht die Programm-ROMs...

Future Spy

Original Zaxxon Video Board, original Zaxxon EPROM-Aufkleber... passt das zusammen?

Future Spy

Future Spy

Meine Messungen am Z80 ergaben: Reset# auf Dauer-Low. Kann ja nicht gehen. Dann kam mein Nachbar und ich musste die Platine eine halbe Stunde liegen lassen - angeschaltet... Nach ca. 30 Minuten plötzlich ohrenbetäubender Lärm...

Future Spy

Future Spy

O.K.... da ist wohl der Power On Reset auf gaaaaaanz langsam eingestellt... 30 Minuten erscheint mir nicht gerade Benutzerfreundlich. Aber jetzt kann ich den Testmodus laufen lassen. Programm ROM defekt, egal, läuft ja...


Future Spy

Diese Grafikfehler beziehe ich mal auf das abgerissene Kabel...

Future Spy

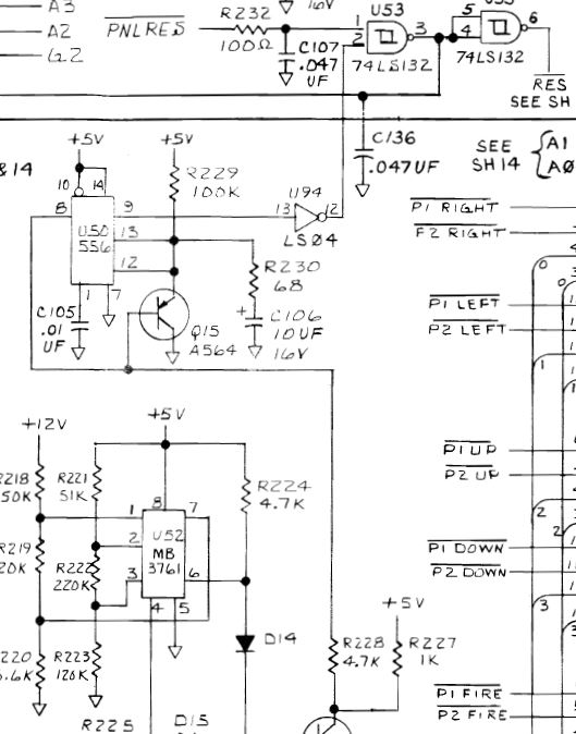
{Reparatur} Hier ist mal die Sektion, auf der sich das RESET# Signal versteckt:

Future Spy

Diese Kondensatoren sehen garnicht gut aus:

Future Spy

Der Originalschaltplan von einem Zaxxon, welches ich nicht habe... In Teilen ist die Schaltung sehr ähnlich... Aber ich werde es finden...

Future Spy


Leck mich am Kondensator - alte Teile raus!

Future Spy

GFX-ROMs wieder in's Geschehen mit einbinden:

Future Spy

Auf dem Soundboard auch noch mal Elko-Paralympics:

Future Spy

Neu und dicht:

Future Spy

Trotz Meldung 1 ROM defekt sind beide 2564 angelöscht - also neu gebrannt...

Future Spy

Dann klappt's auch mit dem ROM-Test:

Future Spy

Die Neuen Kondensatoren um den 556 herum führen zu einem sauberen reproduzierbaren Reset 1 Sekunde nach dem Anschalten. So soll es sein! Die Grafik stimmt jetzt auch:

Future Spy


Ich bin Perfektionist und habe einen großen Fundus an Abstandsröllchen und extralangen Schrauben - herumfliegende PCBs sind mir ein Graus...

Future Spy

So muss eine ordentliche Future Spy aussehen!

Future Spy

Lange Abstandsröllchen und Schrauben braucht man schon wegen des seltsamen Custom-Z80:

Future Spy

Future Spy


© 2013 - 2024 · W. Robel e-Mail senden