Mike McBike @ Home / Arcade Reps Teil 4 / Popeye Bootleg


{Popeye Bootleg} Das Bild ist dem Bootleg entsprechend. Der Popeye Titelschirm hat massive Grafikfehler und Farbprobleme, das hatte ich aber bei einem baugleichen Bootleg auch schon und kann es somit auf das Bootleg schieben - Pfuscher, elende...

Popeye

{Fehlersuche} Der Elko hier hat sich schon halb ausgezogen, den sollte ich aus Kurzschlussvermeidungsgründen beizeiten ersetzen!

Popeye

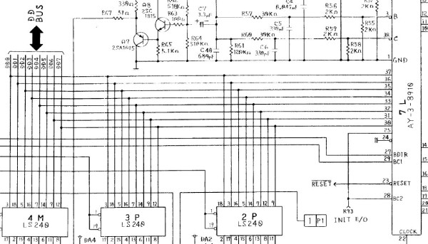
Nachdem ich einen kompletten Jamma Adapter gelötet habe, entdecke ich einen erheblichen Sounddefekt. Sinnloses Gedudel entströmt dem Lautsprecher, nur im Hintergrund kann man das Coinen erahnen, alles geht in einer Kakophonie des Grauens unter... Der Datenbus des AY-3-8910 sieht ziemlich schwach aus... Klar, dass der Soundprozessor daraus nichts Gescheites erkennen kann...

Popeye

Der Nintendo-Schaltplan ist von den Bootleggern nur in Teilen kopiert worden, hilft hier aber trotzdem ganz gut:

Popeye

Auch die 2114 RAMs werden von diesem Datenbus versorgt...

Popeye

Alles kommt aus diesem Bustreiber raus:

Popeye

Schritt 1: diesen erstzen - die Huckepackmethode hat allerdings nichts gebracht und den AY aus der Fassung nehmen hat den Datenbus auch nicht stabilisiert - irgendwie befürchte ich, dass der Ärger noch wo anders liegt...

Popeye


{Fehlersuche} Weiter geht's: Bustreiber gewechselt - Ergebnis: keine Änderung

Popeye

Der Schaltplan hilft nicht wirklich, manches am Bootleg ist doch deutlich anders aufgebaut, als im Original Nintendo Plan. Die drei 74LS240 sind aber gleich. Sie hängen am Datenbus und lesen die Eingangssignale aus... Dabei gleich mal die Leiterbahnen beschädigt - die Bootlegqualität ist wieder mal unterirdisch...

Popeye

Ergebnislos wieder rein und die Leiterbahnen geflickt - wieder eine Stunde für nix...

Popeye

Die letzte Chance: 4 Stück LS244, die Leiterbahnen bleiben ganz, dafür delaminiert die PCB gleich großflächig... Ergebnis: keine Änderung...

Popeye

Also alles wieder rein und noch 'ne Stunde auf gut Glück gemessen, alles erscheint gut, bis auf die extrem niedrigen Datenpegel. Eine Ursache kann ich nicht finden. Nachdem ich folgende Bauteile entfernt / getauscht habe, kapituliere ich vor diesem Boot-Dreck!

Popeye


© 2013 - 2024 · W. Robel e-Mail senden