Mike McBike @ Home / Arcade Reps Teil 4 / Gallag (Galaga Bootleg)


{Gallag Reparatur} Ein Bootleg in recht verbasteltem Zustand - da haben sich schon andere erfolglos daran versucht. Was ich an Gallaga Bootlegs so liebe, ist der separate Video-Anschluss... das macht den Adapter auf Jamma so schön buschig...

Gallag

Einschalten - geht... allerdings kommt ein Bild nur bei maximaler Helligkeitseinstellung am Monitor. Das ist ein wenig dunkel...

Gallag

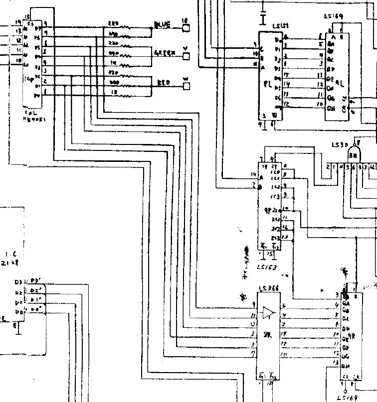
Ein Blick auf den miesen Bootleg-Schaltplan zeigt zwei Quellen für das Videosignal: Gameplay und Starfield:

Gallag

Das Ausgangs-BPROM wird sackheiß und ist fritte - Ein Neubrand ist angesagt - aber mit welchen Daten? Versuchen wir es mit GALLAG und prom-5.5n... Die Lötaugen bei diesem Bootleg sind nicht mal mittig gesetzt, selbst Fassungen gehen da nur schwer rein.

Gallag

Gallag

Gallag

Einschalten... Juhuh... Es kommt ein Bild. Die Farben sind nicht ganz original, aber das würde mich nicht stören...

Gallag

Gallag

Ein genauer Blick zeigt: es fehlt was auf dem Bild - das Starfield. Deswegen hat auch schon wer massiv am Bustreiber für die Starfielddaten rumgefrickelt:

Gallag

Das Oszi sagt: die gesamte Starfieldlogik steht still. Keine Daten, keine Pixel. Jetzt wird's knifflig. Erst mal den Bootleg-Schaltplan (miese Qualität) nach Entsprechungen auf meiner PCB durchforsten: die Bauteile sind alle vorhanden, aber auf anderen Positionen! Also alles mühsam durchklingeln.

Gallag

Dann wird munter oszillografiert:

Gallag

Das Starfield wird von einem linearen rückgekoppelten Schieberegister (LFSR) bestehend aus zwei 8-Bit Schieberegistern 74LS164 und einem Flipflop 74LS74 gebildet. Die Rückkopplung erfolgt über ein XOR-Gatter 74LS86. Es gibt keine fehlerhaften Flanken. Das LFSR muss laufen, solange es nicht im Reset gehalten wird und Takt anliegt.

Gallag

Gallag

Das Oszillogramm von Reset (blau) und Schieberegisterausgang zeigt, dass das LFSR zwar anspringt, dann aber irgendwann einfach im Status "alle Ausgänge High" stehen bleibt, der einzige Zustand, aus dem es kein Entkommen gibt! Die Zeit bis zum Stehenbleiben ist variabel. Ich teste, ob irgendein anderes Signal, z.B. H-Sync, einen Einfluss auf den Ausstieg hat, dieses Signal steuert aber eigentlich nur den Takt der Flipflops, in der Austastlücke bleibt das LFSR kurz stehen:

Gallag

Gallag

Man sieht, dass die Flanken nicht überein stimmen... Ich muss wohl die Schieberegister tauschen. Ratet mal, welchen TTL-Baustein ich nicht in meiner Sammlung habe...


Die 74LS164 sind gekommen - es geht weiter. Nachdem ich die komplette Starfieldkette komplett ausgetauscht hatte, stellte sich immer noch keine Besserung ein. So bleibt mir nur der tiefe Blick mit dem Logikanalysator:

Gallag

Das Schieberegister schiebt über 17 Bit, so lange, bis es plötzlich alle Bits auf "1" stehen hat...

Gallag

Am blauen Cursor sieht man: das EXOR-Gatter liefert eine "0" am Ausgang, die aber seltsamer Weise nicht wieder in das Bit 1 des LSFR eingetaktet wird...

Gallag

Alles neu, trotzdem kaputt?

Gallag

Der Takt sieht mies aus, unstabile Flanken, unsaubere Amplituden... Im Schaltplan steht für die Laufzeitkette 74LS04, im Bootleg ist ein 74LS14 drin (Schmitt-Trigger) - ich tausche mal den Baustein...

Gallag

Na, geht doch! Hat das jemals vorher funktioniert? Geht das nur bei erhöhter Betriebsspannung? Egal.

Gallag

Gallag


Für die Freunde der gepflegten Digitalschaltungstricks: Ich habe 6 MHz und brauche 12 MHz. Was tun? Ich suche mir den Gallag-Bootleg-Schaltplan mit halbwegs guter Scan-Qualität "Gallag-Green-Schematic-missing-page3.pdf" und sehe mir das 74LS04-Gedödel rechts unten an. Eine Packung Inverter mit Kondensatoren leitet ein Signal parallel zu einem direkten Weg in ein EXOR-Gatter. Warum?

Gallag

Die Inverter mit Kondensatoren (geht auch ohne Kondensatoren, ist dann aber nicht genau frequenzangepasst...) verzögern das Rechtecksignal genau um eine viertel Periodendauer:

Gallag

Das EXOR Gatter interpretiert die verschobenen Rechtecksignale als vier verschiedene Zustände:
A B --> Y
0 0 --> 0
0 1 --> 1
1 0 --> 1
1 1 --> 0

Gallag

Heraus kommt - je nach Abstimmung der zeitbestimmenden Akteure ein mehr oder weniger asymmetrisches Rechtecksignal der doppelten Frequenz. Nicht irritieren lassen von der Oszi-Messung 9,4 MHz, die Frequenz eines Signals mit ungleichmäßigen Periodendauern kann natürlich nicht richtig gerechnet werden...


© 2013 - 2024 · W. Robel e-Mail senden